| 13.3. Poços
13.3.1. Recursos
hídricos subterrâneos
A disponibilidade hídrica
subterrânea pode ser avaliada pelas características hidráulicas
e geométricas dos aqüíferos existentes na cidade de
Palmeira d’Oeste que se encontra regionalmente inserida na bacia hidrográfica
do São José dos Dourados.
A ocorrência da águas
subterrâneas é condicionada nessa bacia hidrográfica
pela presença de três grandes unidades aqüíferas,
são elas: o sistema Bauru, o Serra Geral e o Botucatu.
Nos Quadros 66 e 67 são
apresentadas de forma sintética as características hidrogeológicas
dos três sistemas aqüíferos obtidas através de
levantamentos bibliográficos.
QUADRO 66 - Resumo das características
hidrogeológicas dos aqüíferos presentes na bacia hidrográfica
do São José dos Dourados.
|
Aqüíferos
|
Unidade Geológica
|
Características Hidrogeológicas
|
|
BAURU
|
Grupo Bauru (Formações
Santo Anastácio e Adamantina)
|
Extensão regional, porosidade
granular, livre a semiconfinado, descontínuo, heterogêneo
e anisotrópico
|
|
SERRA GERAL
|
Formação Serra Geral
|
Extensão regional com caráter
eventual, transmissão hidráulica por fraturas, livre a semiconfinado,
descontínuo, heterogêneo e anisotrópico.
|
|
BOTUCATU
|
Formações Botucatu
e Pirambóia
|
Extensão regional, porosidade
granular, confinado, contínuo, homogêneo, isotrópico
|
QUADRO 67 - Resumo das Características
Geométricas e hidrogeológicas dos aqüíferos presentes
na
bacia hidrográfica do São José dos Dourados.
|
Aqüíferos
|
Hidráulica dos aqüíferos
|
Hidráulica dos poços
|
| |
Transmissividade (m2/d)
|
Porosidade
Efetiva
(%)
|
Vazão Específica
(m3/h/m)
|
Vazão
Média
(m3/h)
|
Profundidade média
(m)
|
|
BAURU
|
10 a 100
|
5 a 15
|
0,5 a 2,0
|
12 a 13
|
75 a125
|
|
SERRA GERAL
|
1 a 200
|
1 a 5
|
0,01 a 10
|
5 a 70
|
50 a 150
|
|
BOTUCATU
|
350 a 500
|
16 a 24
|
0,01 a 26
|
200
|
300 a 1700
|
No Quadro 68 são apresentados
os dados obtidos em diferentes cadastramentos realizados por diferentes
organismos públicos do Estado de São Paulo, como o DAEE-Departamento
de Águas e Energia Elétrica; SABESP- Companhia de Saneamento
Básico do Estado de São Paulo e Federal como a CPRM -Companhia
de Pesquisas de Recursos Minerais.
No Quadro 69 são
apresentadas as profundidades máximas, médias e mínimas
por aqüífero nos poços cadastrados.
QUADRO 68 - Vazões por aqüíferos
dos poços cadastrados.
|
Aqüíferos
|
Número de
Poços
|
Vazão
Mínima (m3/h)
|
Vazão
Máxima (m3/h)
|
Vazão
média (m3/h)
|
|
BAURU
|
73
|
0,0
|
120,0
|
13,7
|
|
BAURU / SERRAGERAL
|
22
|
0,0
|
517,0
|
33,0
|
|
SERRA GERAL
|
2
|
6,0
|
21,0
|
13,5
|
|
SERRA GERAL / BOTUCATU
|
2
|
189,8
|
297,5
|
243,7
|
|
NÃO DEFINIDO
|
84
|
0,0
|
34,4
|
8,2
|
QUADRO 69 - Profundidades por aqüífero
dos poços cadastrados.
|
Aqüíferos
|
Número de
Poços
|
Profundidade
Mínima (m)
|
Profundidade
Máxima (m)
|
Profundidade
Média (m)
|
|
BAURU
|
7
|
66,0
|
211,0
|
121,3
|
|
BAURU / SERRAGERAL
|
22
|
102,0
|
280,0
|
162,4
|
|
SERRA GERAL
|
2
|
104,0
|
181,0
|
142,5
|
|
SERRA GERAL / BOTUCATU
|
2
|
1205,0
|
1322,0
|
1263,5
|
|
NÃO DEFINIDO
|
84
|
0,0
|
250,0
|
86,2
|
13.3.2. Sistema Aqüífero
Bauru
O sistema aqüífero
Bauru caracteriza-se como uma unidade hidrogeológica sedimentar,
permeável por porosidade granular, destacando-se pela sua extensa
área de afloramento no Estado de São Paulo. Estudos realizados
pelo DAEE (1976) nas regiões administrativas de Bauru, São
José do Rio Preto e Araçatuba, indicam que a espessura saturada
do aqüífero variável entre 100 e 150 m, condicionada
pela morfologia da superfície e pelo substrato rochoso, representado
pelos basaltos da Formação Serra Geral. A amplitude das variações
sazonais situa-se entre 2 e 4 m, verificadas em poços de observação
entre 1973 e 1976.
Como pode ser observado
nos Quadros 66 e 67 o Aqüífero Bauru é considerado moderadamente
permeável, devido ao teor relativamente elevado de material argiloso
e siltoso, esse comportamento genético do material rochoso condiciona
as baixas vazões dos poços localizados nessa unidade hidrogeológica.
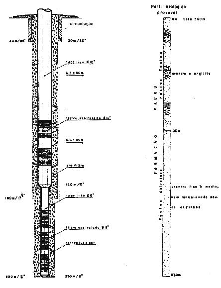
Na Figura 19 são
apresentados o provável perfil geológico da formação
Bauru e o perfil construtivo de um poço tubular profundo nesta formação.
FIGURA 19 - Perfil geológico
(provável) da formação Bauru e o perfil construtivo
de um poço tubular profundo nesta formação.
13.3.3. Sistema Aqüífero
Serra Geral
Os basaltos da formação
Serra Geral constituem um aqüífero de extensão regional,
porém com condições aqüíferas distintas
restritas, definidas em função de descontinuidades (juntas,
fraturas e falhas), e/ou pela presença de pacotes e arenitos inter
derrames.
Os basaltos apresentam na
região de Palmeira d’Oeste espessuras variando de 100 a 1.200 metros,
sendo mais espessos no sentido da Calha do Rio Paraná. As transmissividades
extremamente baixas na direção vertical, aliado à
sua grande espessura, condicionam o basalto com substrato hidrogeológico
do Aqüífero Bauru e camada confinante do Aqüífero
Botucatu subjacente. Como o fluxo das águas subterrâneo ocorre
essencialmente nas fraturas da rocha, as quais são usualmente descontínuas,
os parâmetros hidráulicos do aqüífero (transmissividade,
permeabilidade e porosidade) não possuem o mesmo significado que
nos aqüíferos granulares, não servindo, portanto, para
previsões de disponibilidade hídrica.
13.3.4. Sistema
Aqüífero Botucatu
Apresenta características
de unidade hidrogeológica sedimentar, permeável por porosidade
granular, com substrato formado pelas camadas argilosas do Grupo Passa
Dois e mergulhos suaves no sentido Oeste.
Como visto anteriormente,
a espessura dessa unidade varia entre 250 e 580 metros, com médias
em torno de 350 a 400 metros. As recargas ocorrem principalmente nas áreas
de afloramentos das formações, situadas a leste da Bacia
hidrográfica do São José dos Dourados, induzindo ao
fluxo das águas essencialmente na horizontal. As contribuições
ou perdas por meio dos basaltos são bastante restritas, resultando
em altas pressões de confinamento, capazes de gerar artesianismo
em determinados locais. Na região de Palmeira d’Oeste não
foram cadastrados nenhum poço profundo nessa unidade aqüífera.
Vários autores recomendam
que esse aqüífero seja considerado como reserva estratégica
de água, inclusive em caráter continental, em função
da sua extensão e potencialidade de exploração 48.000
km3, com recarga anual de
166 km3.ano-1.
|